SP2731F
是一款性能優異的原邊反饋控制電路,應用于中、小功率AC/DC充電器與適配器。
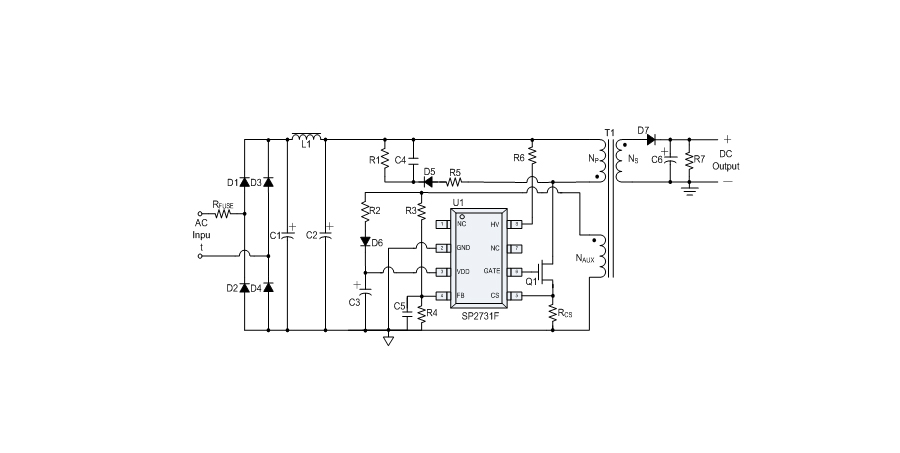
SP2731F是一款性能優異的原邊反饋控制電路,應用于中、小功率AC/DC充電器與適配器。控制電路使用原邊采樣技術進行精確的恒流、恒壓控制,可以省去一般應用中的光耦與TL431。
控制電路CCM/QR工作模式可以保證較高的轉換效率,一般低輸入電壓進入CCM工作模式,高輸入電壓下進入QR工作模式。芯片最高可在90KHz固定工作頻率下工作。
在恒流模式下,輸出電流可由CS引腳外接的采樣電阻RCS設定。在恒壓模式下,芯片多種工作模式可以保證較高的性能和整體轉換效率。
此外,芯片內置線纜壓降補償,由此取得良好的負載調整率。SP2731F在恒壓模式下工作于PWM+PFM狀態,中、輕載時降頻工作。芯片工作電流很低,能夠實現小于75mW待機功耗的應用方案。
SP2731F提供全面的保護功能,包括逐周期限流保護(OCP)、VDD過壓保護(OVP)、VDD欠壓保護(UVLO)、VDD鉗位、FB開/短路保護、輸出短路保護、輸出過壓保護、過溫保護等。
SP2731F采用SOP8封裝。
● 全電壓范圍內具有很高的恒壓精度、恒流精度
● 使用原邊反饋控制,可省去光耦與TL431
● CCM/QR工作模式
● 內部集成高壓啟動模塊,無需啟動電阻
● 最高90KHz工作頻率
● 可調節設定的恒流值與輸出功率
● 內置原邊反饋恒流控制,自適應峰值電流控制
● 內建原邊電感補償
● 具有良好的動態響應,多模式控制方式提高工作效率
● 全電壓范圍(85~264V)輸入時待機功耗小于75mW
● 內置環路補償,不需要外置補償電容
● 超低的啟動電流和工作電流
● 可外部調整的線纜壓降補償
● 內置前沿消隱(LEB)功能
● 集成非常全面的保護功能:VDD過壓保護、VDD欠壓保護、逐周期限流保護、輸出短路保護、輸出過壓保護、過溫保護。
● SOP8封裝
● 手機、數碼相機充電器
● 中、小功率電源適配器
● 平板電腦
● 機頂盒電源
