SP5366P
是一款高精度非隔離降壓型LED照明轉換芯片。此款芯片工作在電感電流臨界連續模式,適用于85Vac~265Vac全電壓范圍下的非隔離降壓型恒流LED驅動電源。
詳細介紹
文檔與工具
樣品及購買
SP5366P是一款高精度非隔離降壓型LED照明轉換芯片。此款芯片工作在電感電流臨界連續模式,適用于85Vac~265Vac全電壓范圍下的非隔離降壓型恒流LED驅動電源。
SP5366P內部集成了一個500V高壓功率開關管,而且芯片的工作電流極低,降低了系統損耗,提高了效率。無需輔助繞組供電,減少了外圍元件的使用。采用了新型的電流檢測方式和驅動,即使在成本和體積都縮減的情況下也可實現優異的恒流特性。SP5366P內置高精度的電流采樣電路和特殊的恒流控制技術,實現高精度的恒流輸出。芯片工作在電感電流臨界連續模式,輸出電流不會隨著電感量和輸出負載的變化而變化。
SP5366P具有多種保護功能,包括輸出短路/開路保護、芯片供電欠壓保護、CS電阻短路保護及過熱調節等。
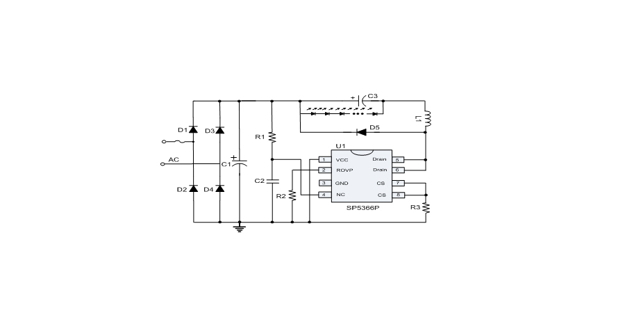
典型應用框圖
應用
● 電感電流臨界連續模式
● 寬輸入電壓和極低的工作電流
● 內部集成500V功率開關
● 無需輔助繞組供電及檢測
● ±5%恒流精度
● LED開路及短路保護
● 芯片供電欠壓保護
● CS電阻短路保護及過熱調節
● LED 球泡燈
● LED 蠟燭燈
● 其他LED照明設備
樣品及購買
樣片申請
推薦產品
