SP6649P
是一顆電流模式PWM控制芯片,內置650V高壓功率MOSFET,芯片可以工作在綠色模式,以此來減小輕載時的損耗,提高整機的工作效率。
詳細介紹
文檔與工具
樣品及購買
SP6649P是一顆電流模式PWM控制芯片,內置650V高壓功率MOSFET,芯片可以工作在綠色模式,以此來減小輕載時的損耗,提高整機的工作效率。
SP6649P在啟動和工作時只需要很小的電流,可以在啟動電路中使用一個很大的電阻,以此來進一步減小待機時的功耗。
SP6649P內置多種保護,包括逐周期限流保護(OCP),過載保護(OLP),過壓保護(VDD OVP),VDD過壓箝位,欠壓保護(UVLO),過溫保護(OTP)等,通過內部的圖騰柱驅動結構可以更好的改善系統的EMI特性和開關的軟啟動控制。
SP6649P采用DIP8封裝。
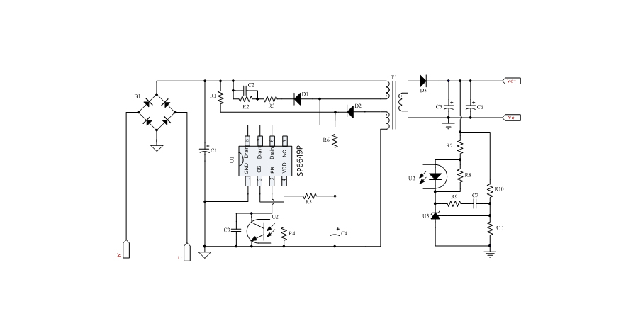
典型應用框圖
應用
● 全電壓范圍輸入時待機功耗小于75mW
● 內置650V高壓功率管
● 軟啟動可用來減少MOSFET上Vds的應力
● 抖頻功能,改善EMI性能
● 跳頻模式,改善輕載效率,減小待機功耗
● 無噪聲工作
● 固定65KHz開關頻率
● 內置同步斜坡補償
● 低啟動電流,低工作電流
● 內置前沿消隱(LEB)功能
● 過載保護(OLP),逐周期限流保護(OCP)
● VDD過壓保護(VDD OVP),欠壓保護(UVLO),VDD電壓箝位,過溫保護(OTP)
● 充電器
● PDA、數碼相機、攝像機電源適配器
● 機頂盒電源
樣品及購買
樣片申請
推薦產品
